金瓶梅在线播放,学长惩罚我下面放震蛋上课,无码无遮挡刺激喷水视频,护士长在办公室躁bd

全國服務熱線021-64162222

法蘭閘閥閥門首頁 > 產品展示 > 閘閥 > 法蘭閘閥 >

產品名稱:電動法蘭閘閥[ 2021-05-17 ]

訂購熱線:021-64162222
訂購傳真:021-62677999
質量穩定:實行全過程質量監控,細致入微全方位檢測!
價格合理:高效內部成本控制,減少了開支,讓利于客戶
交貨快捷:先進生產流水線,充足的備貨,縮短了交貨期!
  • 產品介紹
  • 規格尺寸
  • 結構圖片
  • 一、電動法蘭閘閥詳細介紹

    上海湖泉電動法蘭閘閥由法蘭閘閥和執行器組成,要用途高中壓法蘭連接的閘閥適用于公稱壓力PN1.6~16.0MPa, 工作溫度≤-29℃~550℃的石油、化工、水力、火力電站各種系統的管路上,它結構簡單,易維護,動作過程中因氣體本身的緩沖特性,不易因卡住而損壞,響應靈敏,安全可靠,很多對控制要求高的廠專為氣動儀表控制元件設置壓縮空氣站。 

    二、電動法蘭閘閥特點

    1、采用壓力自緊式密封或閥體、閥蓋墊片密封結構,使用安全可靠。
    2、閥瓣采用雙閘板中間帶萬向頂結構,能自動調整閥瓣與閥座密封面吻合度,保證閥門的密封。同時此結構維修方便,閥瓣互換性較好。
    3、電動裝置配有轉矩控制機構、現場操作機構和手、電動切換機構。除就地操作外,還可以進行遠距離操作、PLC控制、4~20mA電流輸入輸出智能控制等。
    4、可安裝在管道的任何位置,同時根據介質和介質的溫度選擇碳鋼或合金鋼閥門。


    三、電動法蘭閘閥執行標準 

    設計與制造 GB/T12234
    連接端尺寸 結構長度 GB/T12221
    法蘭尺寸 JB79
    檢驗與試驗 JB/T9092
    材 料 碳鋼 GB/T12229
    不銹鋼 GB/T12230
     

    四、電動法蘭閘閥主要零件材質


    閥體? 閘板 閥桿 密封面
    不銹鋼、碳鋼、灰鑄鐵 不銹鋼 不銹鋼 橡膠、四氟、不銹鋼、硬質合金
     
     

     
  • 五、電動法蘭閘閥產品主要外形連接尺寸


    公稱壓力PN(MPa)  公稱通徑
    DN(mm) 
    標準值  參考值 
    D1  n2  D6  f1  Z-φd  L1  質量(kg) 
    1.6  50  230  160  125  100    16    4-φ18  590  645  48 
    65  290  180  145  120    18    4-φ18  590  690  60 
    80  310  195  160  135    20    8-φ18  590  715  65 
    100  350  215  180  155    20    8-φ18  590  770  71 
    125  400  254  210  185    22    8-φ18  590  780  119 
    150  480  280  240  210    24    8-φ23  590  810  210 
    200  600  335  295  265    26    12-φ23  810  967  320 
    250  622  405  355  320    30    12-φ25  810  1143  550 
    300  698  460  410  375    30    12-φ25  830  1292  785 
    2.5  50  230  160  125  100    20    4-φ18  590  645  50 
    65  290  180  145  120    22    8-φ18  590  690  65 
    80  310  195  160  135    22    8-φ18  590  715  67 
    100  350  230  190  160    24    8-φ23  590  770  73 
    125  400  270  220  188    28    8-φ25  590  780  127 
    150  480  300  250  218    30    8-φ25  810  810  215 
    200  600  360  310  278    34    12-φ25  810  967  322 
    250  622  425  370  332    36    12-φ30  830  1143  585 
    300  698  485  430  390    40    16-φ30  830  1292  795 
    4.0  50  230  160  125  100  88  20  4-φ18  590  645  61 
    65  290  180  145  120  110  22  8-φ18  590  690  75 
    80  310  195  160  135  121  22  8-φ18  590  715  84 
    100  350  230  190  160  150  24  4.5  8-φ23  590  770  101 
    125  400  270  220  188  176  28  4.5  8-φ25  810  782  207 
    150  480  300  250  218  204  30  4.5  8-φ25  810  875  226 
    200  600  375  320  282  260  38  4.5  12-φ30  810  1160  399 
    6.4  50  300  175  135  105  88  26  4-φ23  590  710  64 
    65  340  200  160  130  110  28  8-φ23  590  750  77 
    80  380  210  170  140  121  30  8-φ23  590  785  86 
    100  430  250  200  168  150  32  4.5  8-φ25  810  837  171 
    125  500  295  240  202  176  36  4.5  8-φ30  810  1031  243 
    150  550  340  280  240  204  38  4.5  8-φ34  830  1066  296 
    200  650  405  345  300  260  44  4.5  12-φ34  830  1213  420 
    10.0  50  300  195  145  112  88  28  4-φ25  590  714  81 
    65  340  220  170  138  110  32  8-φ25  590  734  102 
    80  380  230  180  148  121  34  8-φ30  810  847  175 
     

     

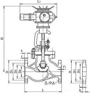
  • 六、電動法蘭閘閥結構圖

    電動法蘭閘閥2電動法蘭閘閥1

上一篇:防爆電動法蘭閘閥 / 下一篇:z941h-16c電動法蘭閘閥