金瓶梅在线播放,学长惩罚我下面放震蛋上课,无码无遮挡刺激喷水视频,护士长在办公室躁bd

全國服務熱線021-64162222

硬密封蝶閥閥門首頁 > 產品展示 > 蝶閥 > 硬密封蝶閥 >

產品名稱:D373H dn400對夾式硬密封蝶閥[ 2021-06-24 ]

訂購熱線:021-64162222
訂購傳真:021-62677999
質量穩定:實行全過程質量監控,細致入微全方位檢測!
價格合理:高效內部成本控制,減少了開支,讓利于客戶
交貨快捷:先進生產流水線,充足的備貨,縮短了交貨期!
  • 產品介紹
  • 規格尺寸
  • 結構圖片
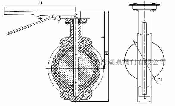
  • 一、D373H  dn400對夾式硬密封蝶閥產品描述

    上海湖泉閥門有限公司D373H  dn400對夾式硬密封蝶閥采用精密彈性密封圈和三偏心多層金屬硬密封結構。廣泛應用于冶金,電力,石油化工,給排水和市政建設,中溫≤425°C。 用于工業管道,用于調節流量和載荷流體。 閥門采用三偏心結構,閥座和閥盤密封面采用不同硬度和不銹鋼制造,耐腐蝕性好,使用壽命長。對夾式硬密封蝶閥是用圓形蝶板作啟閉件并隨閥桿轉動來開啟、關閉和調節流體通道的一種閥門。蝶閥的蝶板安裝于管道的直徑方向。在蝶閥閥體圓柱形通道內,圓盤形蝶板繞著軸線旋轉,旋轉角度為0°~90°之間,旋轉到90°時,閥門則牌全開狀態。 

    D373H  dn400對夾式硬密封蝶閥

    二、D373H對夾式硬密封蝶閥產品特點

     1、 對夾式硬密封蝶閥采用三偏心密封結構,閥座和蝶板幾乎無磨損,密封性能更緊密,更緊密。 
     2、密封圈由不銹鋼制成。它具有金屬硬密封和彈性密封的雙重優點。它在低溫和高溫條件下都具有優異的密封性能,并具有耐腐蝕性和長使用壽命。 

    上海湖泉閥門蝶閥產品:
    XD371X蝸輪信號蝶閥
    SD943H電動伸縮蝶閥
    D671X/J氣動對夾式蝶閥
    D341W蝸輪傳動法蘭式蝶閥
    SD43F手動法蘭式伸縮蝶閥
    D373H對夾式金屬硬密封蝶閥
    D71X/J手動對夾式襯膠蝶閥
    D73H型手動對夾式硬密封蝶閥
    SD643H氣動法蘭式伸縮蝶閥
    D673H氣動對夾式硬密封蝶閥
    D363H/W系列對焊式硬密封蝶閥
    D941X系列電動法蘭式軟密封蝶閥
    D343H-10-16法蘭式硬密封蝶閥
    BD343H型法蘭式硬密封保溫蝶閥
    SD343X蝸輪傳動法蘭式伸縮蝶閥
    D973H系列電動對夾式金屬硬密封蝶閥
    D943H系列電動法蘭式金屬硬密封蝶閥
    D943H系列法蘭式多層次金屬硬密封蝶閥
    D643H-(6、10)C、P、R、V氣動法蘭式硬密封蝶閥

  • 主要外形及連接尺寸(PN0.6MPa~PN1.0MPa)
    公稱通徑 結構長度
    標準值
    外形尺寸(參考值) 連接尺寸(標準值) 重量
    (kg)
    H H1 A1 B1 PN0.6MPa PN1.0MPa
    毫米 英寸 L D1 Z-d D1 Z-d
    50 2 43 112 350 180 200 110 4-14 125 4-18 11
    65 21/2 46 115 370 180 200 130 4-14 145 4-18 12
    80 3 49 120 380 180 200 150 4-18 160 8-18 14
    100 4 56 138 420 180 200 170 4-18 180 8-18 16
    125 5 64 164 460 180 200 200 8-18 210 8-18 26
    150 6 70 175 555 270 280 225 8-18 240 8-22 28
    200 8 71 208 605 270 280 280 8-18 295 8-22 44
    250 10 76 243 680 270 280 335 12-18 350 12-22 68
    300 12 83 283 800 380 420 395 12-22 400 12-22 85
    350 14 92 310 835 380 420 445 12-22 460 16-22 121
     
     

上一篇:D343H多層次金屬硬密封蝶閥 / 下一篇:污水處理電動蝶閥d943h-10c dn800