金瓶梅在线播放,学长惩罚我下面放震蛋上课,无码无遮挡刺激喷水视频,护士长在办公室躁bd

全國服務熱線021-64162222

蝶閥知識閥門首頁 > 閥門知識 > 蝶閥知識 >

電動蝶閥廠家 電動煙道蝶閥廠家

[ 2016-08-12 ]
1、電動煙道蝶閥廠家在非工作時間中,閥門關閉,防止大的灰渣進入管道,保護管道生產的安全及可持續進行。本閥采用與閥體相同材料加工成密封圈,其適用溫度隨閥體選材而定,公稱通徑:50-2000mm,公稱壓力≤0.6Mpa,廣泛應用于冶金、環保、鋼鐵廠、電廠等弱腐蝕性煙氣系統中。執行器采用精小型電動執行器,質量可靠,整體重量輕,價格為同行業電動通風蝶閥的1/3,是國家建設部自動化流體控制領域重點推薦產品。
電動煙道蝶閥廠家執行器及閥體相關技術參數:

2、精小型電動執行機構技術參數 電 源: AC110、220、380V/DC24 輸出力矩: 50N·M~2000N·M 任選功能: 開關型、無源觸點型、閥位信號反饋型、智能調節型 動作范圍: 0~90°或0~360° 動作時間: 9秒/15秒/30秒/60秒 環境溫度: -30°~80° 手動操作: 附帶手柄操作 保護裝置: 帶過載保護及過熱保護 防護等級: IP-67(防爆外殼:ExdⅡBT4) 輸入信號: 輸入信號4-20mA,1-5V,0-10V;輸出信號:4-20mA,1-5V,0-10V 

3、電動煙道蝶閥廠家主要技術參數:公稱通徑 DN(mm) 50~4000 公稱壓力 PN(Mpa) 0.1 0.25 0.6 試驗壓力 強度試驗 0.15 0.375 0.9 密封試驗 ≤1%泄漏量 適用介質 含塵氣體、煙氣等 驅動形式 手動、蝸輪傳動、氣動、電動等
 
4、電動煙道蝶閥廠家技術參數
☆ 公稱壓力:PN0.25
☆ 公稱通徑:DN200~4500
☆ 設計制造:JB/T8692、GB/T122238
☆ 結構長度:GB/T12221
☆ 法蘭端尺寸: GB/T9113、JB/T79、HG/T20592、HG/T20615
☆ 焊接端尺寸:GB/T12224
☆ 閥門的檢查和試驗:JB/T8692、GB/T13927
☆ 結構特征:分為截流型和調節型,采用垂直板與短結構鋼板焊接的新型結構形式,能平穩、精確的調節合理的流量,流量特性近似等百分比,可調范圍大,結構緊湊、重量輕、便于安裝、流阻小、流通量大,避免高溫膨脹的影響,操作輕便,可以多工位安裝,不受介質流向影響
☆ 操作方式:手輪、齒輪、電動、氣動操作
☆ 殼體材料: Q235-B、20、16MnR、WCB
☆用途:廣泛應用于石油、化工、水泥、余熱發電、鍋爐系統,安裝于高溫煙氣管道上,用于控制管路中的空氣、含塵煙氣和工業煤氣。
 
5、電動煙道蝶閥廠家安裝說明:

1. 電動煙道蝶閥安裝位置、高度、進出口方向必須符合設計要求,注意介質流動的方向應與閥體所標箭頭方向一致,連接應牢固緊密。
2. 電動煙道蝶閥安裝前必須進行外觀檢查,閥門的銘牌應符合現行國家標準《通用閥門標志》GB 12220的規定。對于工作壓力大于1.0 MPa 及在主干管上起到切斷作用的閥門,安裝前應進行強度和嚴密性能試驗,合格后方準使用。強度試驗時,試驗壓力為公稱壓力的1.5倍,持續時間不少于5min,閥門殼體、填料應無滲漏為合格。嚴密性試驗時,試驗壓力為公稱壓力的1.1倍;試驗持續的時間符合GB 50243要求
電動煙道蝶閥廠家性能指標:
項目 指標值
基本誤差% ±2.5
回差% 2.0
死區% 3.0
始終點偏差% ±2.5
額定行程偏差% +2.5
允許泄漏量1/h 2×10-2×閥額定容量
 
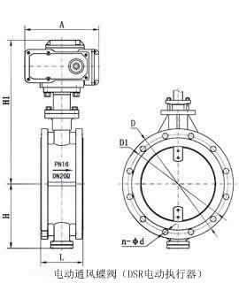
6、電動煙道蝶閥廠家外形及連接尺寸:

 
7、電動煙道蝶閥廠家選擇我們的5大理由
1、價格優勢:廠家直銷,工廠生產直接銷售給客戶,免去所有流通環節,您再也不必花冤枉錢。
2、時間優勢:傳統銷售中,從工廠到中間商再到客戶,供貨周期長,時間難以把握,我們可以做到只要不是非標當天可以發貨。
3、技術優勢:客戶有特殊要求可以直接跟生產廠家溝通,有技術問題可以直接交流,由專業技術人員為您量身訂做。
4、質量優勢:因為沒有了中間商對成本的壓縮,我們可以直接使用質量最好的配件生產出質量過硬的產品,以保證產品在使用中不出問題。
5、售后優勢:傳統銷售中交易結束后一般經銷售不會再理會售后,消費者也聯系不到廠家,造成產品難以售后,選擇我們產品不光可以得到完善的售后服務,還可以得到專業的技術指導,產品出質保期后還可以得到成本價維修,我們會終身保障產品的質量。
 
 
本文標題:電動蝶閥廠家 電動煙道蝶閥廠家 本文地址:http://m.rcssw.com/tech-diefa/1224.html

上一篇:電動蝶閥型號編制 / 下一篇:電動蝶閥的基本特點介紹