金瓶梅在线播放,学长惩罚我下面放震蛋上课,无码无遮挡刺激喷水视频,护士长在办公室躁bd

全國服務熱線021-64162222

蝶閥知識閥門首頁 > 閥門知識 > 蝶閥知識 >

電動蝶閥的結構圖及工作原理

[ 2013-08-06 ]
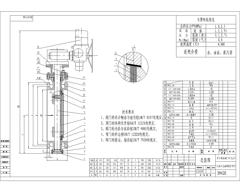
電動蝶閥結構圖
電動蝶閥是一種很好的閥門產品,這種蝶閥的蝶板安裝于管道的直徑方向。在電動蝶閥閥體圓柱形通道內,圓盤形蝶板繞著軸線旋轉,旋轉角度為0°~90°之間,旋轉到90°時,閥門則牌全開狀態。
 
電動蝶閥結構簡單、體積小、重量輕,只由少數幾個零件組成。而且只需旋轉90°即可快速啟閉,操作簡單,同時該閥門具有良好的流體控制特性。電動蝶閥處于完全開啟位置時,蝶板厚度是介質流經閥體時唯一的阻力,因此通過該閥門所產生的壓力降很小,故具有較好的流量控制特性。電動蝶閥有彈密封和金屬的密封兩種密封型式。彈性密封閥門,密封圈可以鑲嵌在閥體上或附在蝶板周邊。
 
采用金屬密封的閥門一般比彈性密封的閥門壽命長,但很難做到完全密封。金屬密封能適應較高的工作溫度,彈性密封則具有受溫度限制的缺陷。
 
如果要求電動蝶閥作為流量控制使用,主要的是正確選擇閥門的尺寸和類型。電動蝶閥的結構原理尤其適合制作大口徑閥門。電動蝶閥不僅在石油、煤氣、化工、水處理等一般工業上得到廣泛應用,而且還應用于熱電站的冷卻水系統。
 
常用的電動蝶閥有對夾式電動蝶閥和法蘭式電動蝶閥兩種。對夾式電動蝶閥是用雙頭螺栓將閥門連接在兩管道法蘭之間,法蘭式電動蝶閥是閥門上帶有法蘭,用螺栓將閥門上兩端法蘭連接在管道法蘭上。
本文標題:電動蝶閥的結構圖及工作原理 本文地址:http://m.rcssw.com/tech-diefa/306.html

上一篇:電動蝶閥的功率是多少? / 下一篇:蝶閥的安裝、操作注意事項