
蝶閥知識
閥門首頁 > 閥門知識 > 蝶閥知識 > 
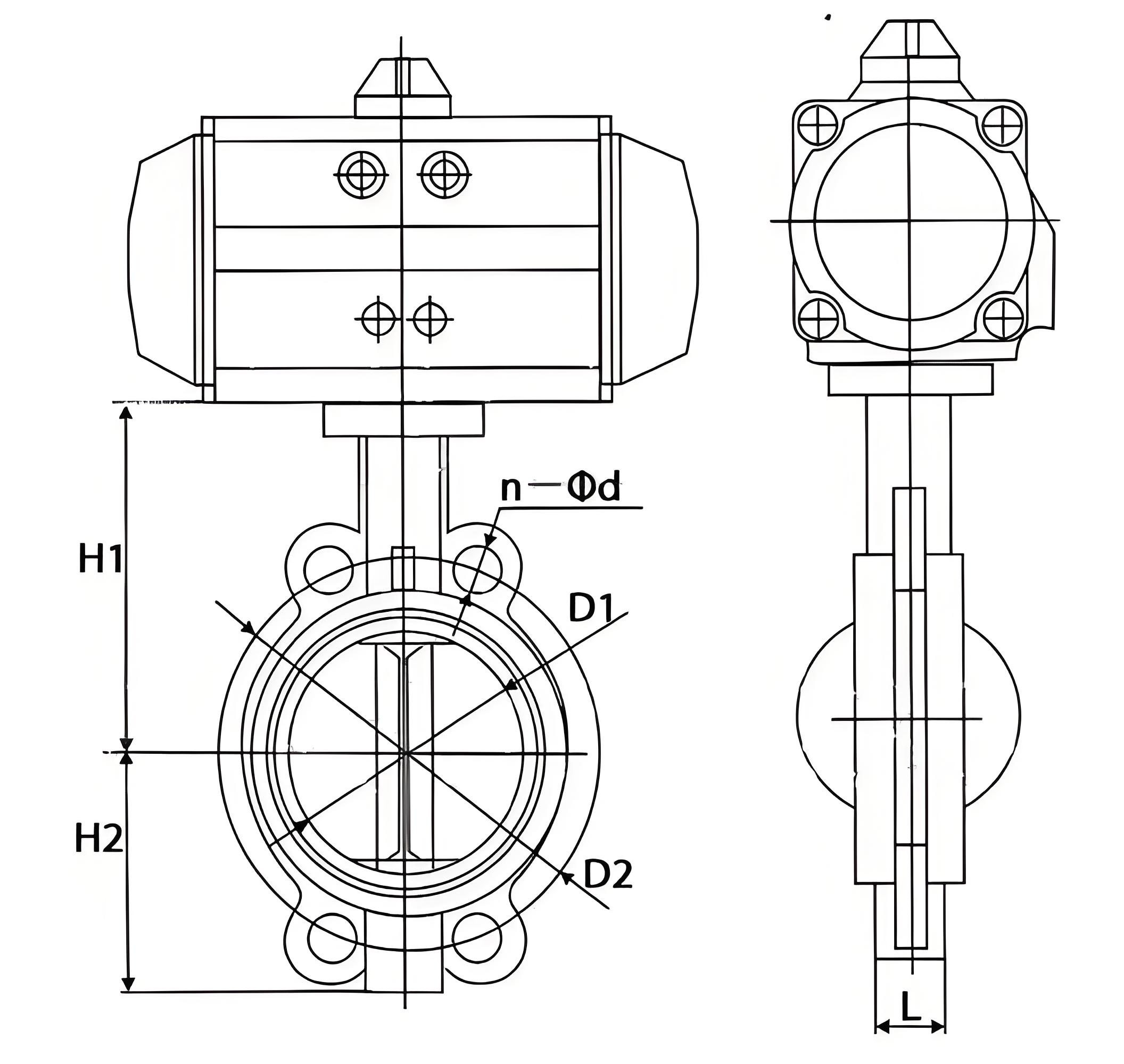
采用對夾式結構,蝶板安裝在管道直徑方向,通過閥體圓柱形通道內圓盤形蝶板的旋轉(0°-90°)實現開關控制。閥體材質包括 球墨鑄鐵 、 碳鋼 或 不銹鋼 ,閥板材質為 球墨鑄鐵 、304/ 316不銹鋼 或 尼龍 ,適用于不同工況需求。
適用于食品、化工、石油、電力、環(huán)保等行業(yè)的流體控制場景,尤其適合粘稠、含顆粒或纖維介質的管道。其密封設計可實現雙向密封(零泄漏),且可在任何位置安裝。



上一篇:電動蝶閥D943-16C DN800產品介紹及結構圖 / 下一篇:大口徑供熱電動蝶閥DN1200 2.5MPa≥130℃